欧美精品无🔞码久久久潘金莲🚩國标三偏心法蘭連接蝶閥_蝶閥_陝西航天泵閥科技****

首頁 蝶閥

國标三(san)欧美🔞精品无码久久久潘金莲🚩偏心法蘭連(lian)接蝶閥

産品簡介

國(guó)标三偏心法(fa)蘭蝶閥采用(yong)三偏心結構(gòu),具有雙向密(mì)封功能。閥💁座(zuo)與密封面均(jun)采用不同材(cái)質制作,具有(yǒu)良好的耐腐(fǔ)⭕蝕性,使用壽(shou)命長,廣泛用(yòng)于治金 、電力(li)、石油化工、以(yǐ)👌及給排水和(he)市政建設等(deng)工業管道上(shàng),作調節流量(liàng)和載斷流體(ti)使🌈用。

産品詳(xiang)情

應用規範(fàn)

1.設計符合GB/T12238-1989
2.檢(jiǎn)驗與試驗按(àn)GB/T13927
3.法蘭連接尺(chǐ)寸符合GB/T12221-1989

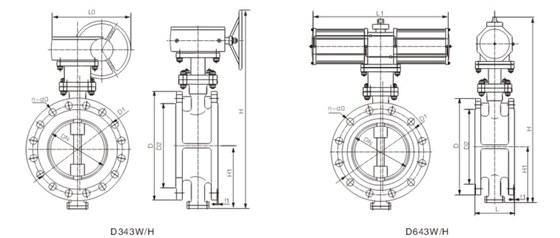
産品(pǐn)結構圖


國标三(sān)偏心法蘭連(lián)接蝶閥結構(gou)圖

我(wǒ)要下單

  • 姓名(ming)
  • 手機
  • 留言(yán)

網友熱評

总 公 司急 速 版WAP 站H5 版无线端AI 智能3G 站4G 站5G 站6G 站
·
 
··