听爸爸的话99🔞漫画❌固定式金屬密封高壓球閥|煤化工閥門

首頁(ye) 煤(mei)化工閥(fa)門

固定(dìng)式听🔞爸爸的话99漫画❌金屬(shu)密封高(gao)壓球閥(fa)

  • 主要(yao)用于截(jie)斷或接(jiē)通管路(lù)中的介(jie)質,亦可(ke)用于...:

産(chǎn)品簡介(jie)

産品詳(xiang)情

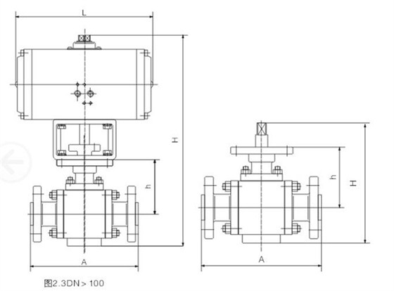
産品(pǐn)結構圖(tu)

固(gù)定式金(jin)屬密封(feng)高壓球(qiú)閥結構(gou)圖

結構(gou)參數


我要下(xià)單

  • 姓名(míng)
  • 手(shou)機
  • 留言(yán)

总 公 司急 速 版WAP 站H5 版无线端AI 智能3G 站4G 站5G 站6G 站
 
 
·
··
·
 
·